Категории
- 1A FIRST AUTOMOTIVE
- 3RG
- 4u
- A.B.A
- A.B.S.
- ABE
- Ac Rolcar
- ACEMARK
- ACKOJAP
- ACR
- AD KUHNER
- AE
- AHE
- AIRTEX
- AISIN
- AJUSA
- AKEBONO
- AKS DASIS
- AL-KO
- ALANKO
- ALCO FILTER
- ALKAR
- AMC Filter
- AMD
- AMK
- AP
- AQUAPLUS
- ARTEC
- AS
- AS METAL
- AS-PL
- ASAM
- ASHIKA
- ASHUKI
- ASMET
- ASSO
- ATL Autotechnik
- AUTEX
- AUTLOG
- AUTOCLIMA
- AUTOELECTRO
- AUTOFREN SEINSA
- AUTOGAMMA
- AUTOKIT
- AUTOMEGA
- Automotive Bearings
- AUTOMOTOR France
- AUTOTEAM
- AVA QUALITY COOLING
- AYWIPARTS
- BANDO
- BARUM
- BBR Automotive
- BBT
- BE TURBO
- BEHR
- BEHR HELLA SERVICE
- BENDIX
- BERAL
- BERGKRAFT
- BERU
- BF
- BGA
- BILSTEIN
- BIRTH
- BLIC
- BLITZ
- BLUE PRINT
- BM CATALYSTS
- BOGE
- BORG & BECK
- Borsehung
- BOSAL
- BOSCH
- BOSS FILTERS
- BOUGICORD
- BRAXIS
- BRECAV
- BRECK
- BRECO
- BREDA LORETT
- BREMBO
- BREMI
- BREMSI
- brend
- BRINK
- BRISK
- BROVEX-NELSON
- BRT Bearings
- BSG
- BTA
- BTS Turbo
- BUDWEG CALIPER
- BUGATTI
- BUGIAD
- CAFFARO
- CALIBER
- CALORSTAT by Vernet
- CAR
- CASCO
- CAUTEX
- CDX
- CEF
- CEVAM
- CHAMPION
- CHAMPION LUBRICANTS
- CIFAM
- CLEAN FILTERS
- COFLE
- COJALI
- COMLINE
- CONTITECH
- CoopersFiaam
- CORTECO
- CS Germany
- CTE
- CTR
- CV PSH
- CX
- DAYCO
- DELPHI
- DENCKERMANN
- DENSO
- DIEDERICHS
- DINEX
- DITAS
- DJ PARTS
- DOGA
- DOLZ
- DON
- DONALDSON
- DONMEZ
- Dr!ve+
- DRI
- DT Spare Parts
- DUPLI COLOR
- DURON
- E.T.F.
- EAI
- EEC
- EIBACH
- ELECTRIC LIFE
- ELRING
- ELSTOCK
- ELTA AUTOMOTIVE
- ELWIS ROYAL
- EPS
- ERA
- ERA Benelux
- ERNST
- ERT
- ESEN SKV
- ETS
- EUROBRAKE
- EUROCABLE
- EuroFlo
- EUROTEC
- EXIDE
- EYQUEM
- FA1
- FACET
- FAE
- FAG
- FAI AutoParts
- FARCOM
- FARE SA
- FAST
- FEBEST
- FEBI BILSTEIN
- FENNO
- FENOX
- FERODO
- FI.BA
- FIL FILTER
- FILTRON
- FIRST LINE
- FISPA
- FIT
- FLEETGUARD
- FLENNOR
- FOMAR Friction
- Forcetech
- FORMPART
- FORTUNE LINE
- FRAM
- FRAP
- FRAS-LE
- FRECCIA
- FREMAX
- FRENKIT
- fri.tech.
- FRIESEN
- FRIGAIR
- FTE
- G.U.D.
- GABRIEL
- GALFER
- GARRETT
- GATES
- GE
- GEBE
- GEMO
- GENERAL RICAMBI
- GGT
- GIRLING
- GK
- GLASER
- GLYCO
- GOETZE
- GOETZE ENGINE
- GOODWILL
- GRAF
- GSP
- HALDEX
- HASTINGS PISTON RING
- HAZET
- HC-Cargo
- HC-PARTS
- HELLA PAGID
- HENGST FILTER
- HEPU
- HERTH+BUSS ELPARTS
- HERTH+BUSS JAKOPARTS
- HITACHI
- HJS
- HOFFER
- HOLA
- HUTCHINSON
- ICER
- IJS GROUP
- IMASAF
- INA
- INTERVALVES
- IPD
- IPS Parts
- IPSA
- JANMOR
- JAPANPARTS
- JAPKO
- JC PREMIUM
- JDEUS
- JOHNS
- JP GROUP
- JS ASAKASHI
- JUNIOR
- JURATEK
- JURID
- K&N Filters
- KAGER
- KAISHIN
- KALE OTO RADYATOR
- KAMOKA
- KANACO
- KAVO PARTS
- KAWE
- KEY PARTS
- KILEN
- KLARIUS
- KLAXCAR FRANCE
- KLOKKERHOLM
- KM Germany
- KM International
- KNECHT
- KNIPEX
- KOLBENSCHMIDT
- KONI
- KRAFT AUTOMOTIVE
- KROON OIL
- KW
- KWP
- KYB
- LA.R.A.
- LASO
- LAUBER
- LECOY
- LEMFORDER
- LENCO
- LESJOFORS
- LIFT-TEK
- LIPE CLUTCH
- LIQUI MOLY
- LIZARTE
- LOBRO
- LORO
- LPR
- LRT
- LTM
- LUCAS DIESEL
- LUCAS ELECTRICAL
- LUCAS ENGINE DRIVE
- LUCAS FILTERS
- LuK
- LUZAR
- LYNXauto
- MABYPARTS
- MAGNAFLOW
- MAGNETI MARELLI
- Magnum Technology
- MAHLE ORIGINAL
- MALO
- MAPCO
- MASTER-SPORT
- MAXGEAR
- MAXTECH
- MAXTRAC
- Maysan Mando
- MDR
- MEAT & DORIA
- MECAFILTER
- MECARM
- MESSMER
- Metalcaucho
- METELLI
- METZGER
- MEYLE
- MFILTER
- MINTEX
- MIRAGLIO
- MISFAT
- MOBIL
- MOBILETRON
- MONROE
- MONROE-AU
- montcada
- MOOG
- MOTAIR TURBOLADER
- MOTAQUIP
- MOTIP
- MOTORAD
- MOTUL
- MTE-THOMSON
- MTS
- MULLER FILTER
- NAGARES
- NARVA
- NATIONAL
- NEXUS
- NGK
- NiBK
- NIPPARTS
- NISSENS
- NISSHINBO
- NK
- NPS
- NRF
- OCAP
- ODM-MULTIPARTS
- OPEN PARTS
- OPTIBELT
- OPTIMAL
- OREX
- ORIGINAL IMPERIUM
- OSSCA
- OSVAT
- PACOL
- PAGID
- PARTS-MALL
- PASCAL
- PATRON
- PAYEN
- PE Automotive
- PERFECT CIRCLE
- PIERBURG
- PILENGA
- PMM
- PNEUMATICS
- POLMO
- PowerMax
- PRASCO
- PRESTO
- PRESTOLITE ELECTRIC
- PROFIT
- PROTECHNIC
- PURFLUX
- QUINTON HAZELL
- R BRAKE
- RAICAM
- RAMEDER
- RANCHO
- RCA FRANCE
- RECORD FRANCE
- REMSA
- REMY
- RIW
- ROADHOUSE
- ROC
- ROSTAR
- ROTA
- ROTINGER
- ROULUNDS RUBBER
- RTS
- RUVILLE
- RYMEC
- S-TR
- SACHS
- SACHS PERFORMANCE
- SAKURA
- SAKURA Automotive
- Saleri SIL
- SAMPA
- SASIC
- SBP
- sbs
- SCHLUTTER TURBOLADER
- SCHRADER
- SCT Germany
- SEIM
- SEM LASTIK
- SERCORE
- SHAFTEC
- SIDAT
- SIDEM
- SIEGEL AUTOMOTIVE
- SIGAM
- SIVENTO
- SKF
- SNR
- SOFIMA
- SogefiPro
- SOMORA
- SPAHN GLUHLAMPEN
- SPECTRA PREMIUM
- SpeedMate
- SPJ
- ST-Templin
- STABILUS
- STANDARD
- StartVOLT
- STC
- STELLOX
- STOP
- SUPLEX
- SWAG
- SWF
- TALOSA
- TEAMEC
- TECNECO FILTERS
- TECNOCAR
- TESLA
- TEXTAR
- THERMOTEC
- TOPRAN
- TrakMotive
- TRIALLI
- TRICLO
- TRICO
- TRISCAN
- TRUCKLIGHT
- TRUCKTEC AUTOMOTIVE
- TRUSTING
- TRW
- TRW Engine Component
- TURBO MOTOR
- TURBORAIL
- TWINTEC
- TYC
- UFI
- ULO
- Uncategorized
- UNICO FILTER
- UNIGOM
- UNIPOINT
- URW
- VAICO
- VALEO
- VAN WEZEL
- VATOIL
- VDO
- VEGE
- VEMO
- VENEPORTE
- VEYANCE
- VICTOR REINZ
- VILLAR
- VMF
- WABCO
- WAECO
- WAGNER
- WAHLER
- WAI
- WALKER
- WALKER PRODUCTS
- WAT
- WEEN
- WILMINK GROUP
- WIX FILTERS
- WOKING
- WOLF
- XXLMARMITTEITALIANE
- YAMATO
- YAZUKA
- YUASA
- ZEKKERT
- ZF LENKSYSTEME
- ZF Parts
- ZIMMERMANN
- ATE
- EBERSPACHER
- HELLA
- MANN-FILTER
- Scania
- SPIDAN
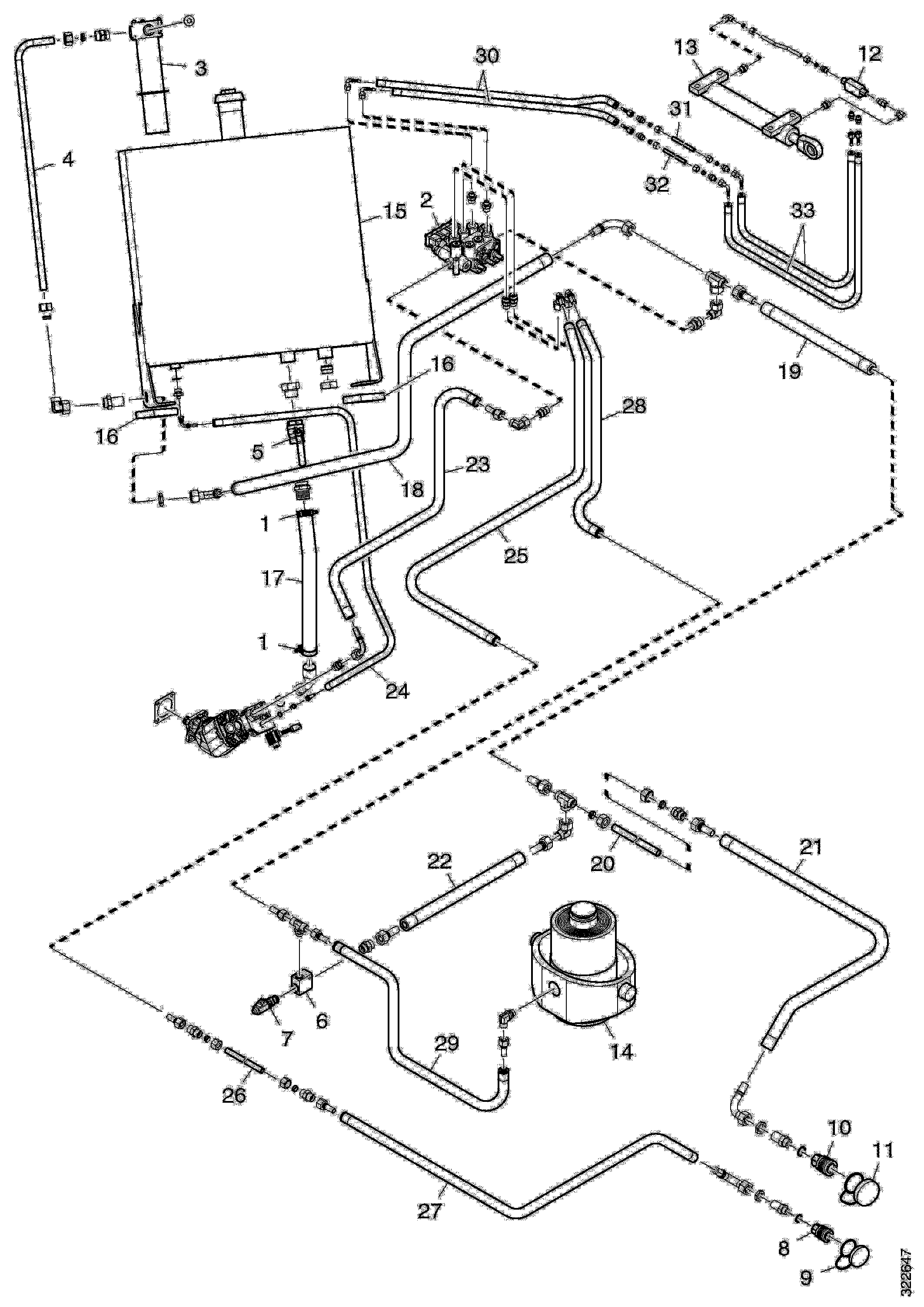
2266180 Шланг высокого давления Scania
Товар 2266180 Шланг высокого давления Scania с оригинальным номером произвоителя 2266180 для автомобиля марки Scania
Наименование «2266180 Шланг высокого давления Scania «, представлен в Каталоге SCANIA с оригинальным номером:2266180. Мы всегда готовы предоставить исчерпывающую информацию о любой запасной части для легковых и грузовых иномарок!
Номер замены-
Данная деталь на схеме под №22
Артикул: 2266180
Категория: Scania








